当前位置:
深圳市赛德力检测设备有限公司 >
产品中心 >
赛德力TS > TYSON 静态扭矩传感器TS-NJ98A
TYSON 静态扭矩传感器TS-NJ98A
| 产品型号: |
TS-NJ98A |
| 品 牌: |
TYSON |
|
|
| 所 在 地: |
广东深圳龙岗区 |
| 更新日期: |
2026-03-16 |
| | 品牌:TYSON | | 型号:TS-NJ98A | | 加工定制:是 | |
| | 制作工艺:集成 | | 输出信号:模拟型 | | 材料:金属 | |
| | 材料物理性质:导体 | | 材料晶体结构:单晶 | | 防护等级:- | |
| | 线性度:- %F.S | | 迟滞:- %F.S | | 重复性:- %F.S | |
| | 灵敏度:- | | 分辨率:- | | 重复性:- %F.S | |
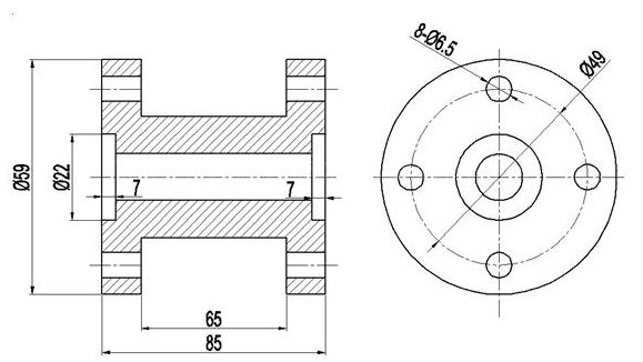
TS-NJJ98A 静态扭矩传感器
◆ 特性与应用
· 电阻应变为敏感元件和集成电路构成的一体产
品,精度高,性能稳定可靠,中低量程扭矩测
量,安装使用方便。
· 静态扭矩测量。两端均为法兰盘连接。
◆技术参数
测量范围 : 0~0.2,0.3,0.5,1,2,3,5,10,20,30,50,100 Nm
输出灵敏度:1.0~2.0 mV/V
综合精度:±0.1; ±0.3; ±0.5%F.S(线性+重复性+滞后)
工作温度:-35~+80℃
温度补偿范围:20~+60℃
零点温度影响:±0.1%F.S/10 ℃
激励电压:12 VDC
响应频率:100μS
绝缘电阻:2000 MΩ/100VDC`
输入电阻:700±10/350±10Ω
输出电阻:700±5/350±5Ω
零点输出:0~±1%F.S
安全过载:120%F.S
材质:合金钢
电气连接方式:输入(电源+):1-红
输出信号+:2-黄
输出信号- : 3-白
输入(电源-):4-绿
◆外形尺寸
