-
TYSON轮辐式称重传感器TS-LF105
详细信息| 询价留言品牌:TYSON 加工定制:否 型号:TS-LF105 制作工艺:集成 输出信号:模拟型 材料:金属 材料物理性质:导体 材料晶体结构:单晶 防护等级:- 线性度:- %F.S 迟滞:- %F.S 重复性:- %F.S 灵敏度:- 分辨率:- 重复性:- %F.S 型号:TS-LF105
类目:测力传感器
关键词:扭扣式传感器,微型传感器,压力传感器,压装用传感器,防水传感器,小空间用传感器,试验机传感器,挤压力传感器,微型测力传感器,螺钉张力传感器,机器人手抓力传感器,手感度测试仪传感器,冷热压机传感器,医疗床测力传感器,投料站称重系统,称重检测系统,称重床传感器,轮辐式传感器,自动化设备配件,微型压力传感器,测力传感器,拉压双向传感器,拉压式传感器,拉力传感器,拔插力传感器,小柱式传感器,贴膜机传感器,焊接机测试仪传感器,铆钉机压力测试,拉压双向结构测力传感器,疲劳试验机。
产品标题:轮辐式测力传感器TS-LF105
特点及应用:
适用于大范围的额定容量(5kN~1MN)
拉伸和压缩两个方向的数据检测
安装的自由度高,使用方便
耐偏心特性和抗疲劳特性优秀
广泛用于疲劳试验机、工业机械等
精度类:0.05%(部分额定值除外)
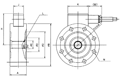
量程及尺寸:
量程/CAP(KN) A B C D E F/G L M N 重量/Weight(Kg) TS-LF105-5KN 40 105 65 35 20 1/3 M18*1.5 85 8-Φ9 2.2 kg TS-LF105-10KN 40 105 65 35 20 1/3 M18*1.5 85 8-Φ9 2.2 kg TS-LF105-20KN 40 105 65 35 20 1/3 M18*1.5 85 8-Φ9 2.2 kg TS-LF105-50KN 50 120 74 40 26 1/4 M24*1.5 95 8-Φ11 3.7 kg TS-LF105-100KN 65 160 100 60 40 1/5 M36*2 130 8-Φ18 8.5 kg TS-LF105-200KN 80 220 140 80 55 1/5 M50*2 180 8-Φ26 20 kg TS-LF105-500KN 100 330 200 135 90 2/7 M85*2 265 8-Φ33 54 kg TS-LF105-1MN 140 460 280 190 115 2/7 M110*3 370 16-Φ33 140 kg
技术参数/Technical Parameters额定输出 2.0±10% mV/V 零点输出 ±2 %R.O. 非线性 0.01 %R.O. 滞后性 0.01 %R.O 重复性 0.01 %R.O 补偿温度范围 -10~+70 ℃ 工作温度范围 -20~+80 ℃ 零点温度漂移 0.01 %R.O./℃ 温度灵敏度飘移 0.01 %R.O./℃ 输入端子间阻抗 470±5 Ω 输出端子间阻抗 350±5 Ω 允许负载 120% %R.O. 极限负载 150% %R.O. 推荐激励电压 5-10 VDC 允许激励电压 15 VDC 绝缘阻抗 ≥5000 MΩ/100VDC 防护等级 IP67 材质 不锈钢 Stainless Steel 电缆尺寸 Φ8x5000 mm 接线方式 输入 Input: [红正 Red(+) 黑负 Black(-)]
输出 Output: [绿正 Green(+) 白负 Black(-)] -


