-
TYSON法兰式扭力传感器TS-LJJ41
详细信息| 询价留言品牌:TYSON 型号:TS-LJJ41 类型:数字式 测量范围:- N 测量精度:- 外形尺寸:- mm 最大负荷值:- 推拉杆行程:- 重量:- kg 适用范围:- 推拉杆行程:- 重量:- kg 型号:TS-LJJ41
类目:扭矩传感器
关键词:扭矩传感器、静态扭矩传感器,扭力传感器,力矩传感器,转矩传感器,扭矩仪,非接触扭矩传感器,发动机扭力测试仪,内燃机测试传感器,静态扭矩传感器,动态扭矩传感器,旋转扭矩传感器,TYSON扭矩传感器,伺服电机转矩仪,步进电机扭矩仪,转矩转速传感器,法兰式扭矩传感器。
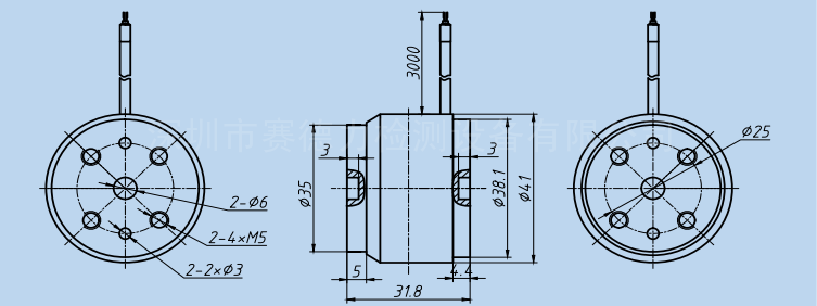
产品标题:TS-LJJ41法兰式扭力传感器
以下为产品描述
特点及应用:
1.信号输出可任意选择波形─方波或脉冲波。
2.检测精度高、稳定性好、抗干扰性强。
3.不需反复调零即可;连续测量正反扭矩。
4.即可测量静止扭矩,也可测量动态扭矩。
量程及尺寸: 技术参数/Technical Parameters量程 0.1/0.2/0.5/1/2/3/5/10/15/20 Nm 额定输出 1.0-2.0 mV/V 零点输出 ±2 %R.O. 非线性 0.5% %R.O. 滞后性 0.250% %R.O 重复性 0.1% %R.O 补偿温度范围 -10~+60 ℃ 工作温度范围 -20~+70 ℃ 零点温度漂移 0.01 %R.O./℃ 温度灵敏度飘移 0.01 %R.O./℃ 输入端子间阻抗 350/700±5 Ω 输出端子间阻抗 350/700±5 Ω 允许负载 120% %R.O. 极限负载 150% %R.O. 推荐激励电压 5 VDC 允许激励电压 10 VDC 绝缘阻抗 ≥5000 MΩ/100VDC 防护等级 IP67 材质 铝合金 Aluminum alloy 电缆尺寸 ∅ 3x3000 mm 接线方式 输入 Input: [红正 Red(+) 黑负 Black(-)]
输出 Output: [绿正 Green(+) 白负 Black(-)]
-


